磁翻柱液位計是金屬管結構,帶有標尺,磁性翻板或磁浮子指示液位、界面,并可安裝液位變送器,液位開關,適用于開放或封閉壓力容器內的液位或界面測量的液位計。根據用戶需要,磁翻板液位計可以安裝4-20ma遠傳信號輸出變送器,開關信號傳送器,數字液位顯示器。高溫、高壓、低密度特殊浮子的設計,鈦材,316l,ptfe襯里等防腐材料選用,x-射線探傷檢測,可以保證產品適用于任何現場需求。
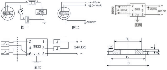
磁翻柱液位計工作原理:
1、基本型 | |
| |
系統構成及接線 | |
| |
技術參數:
報警觸點 | 常開、常閉;220Va.c/A(阻性)、24VDC 0.5A |
型號 | XT-UHZ基本型 |
測量范圍 | 300-16000mm |
介質溫度 | ≤380℃ |
工作壓力 | 1.0 1.6 2.5MPa |
被測介質密度 | ≥0.5g/cm3 |
指示誤差 | ±10mm |
法蘭標準 | HG20592-20635-97其他法蘭標準請用戶在訂貨時注明 |
接液材質 | 1Cr18Ni9Ti、304、316L、襯F46 等 |
界位比重差 | ≥0.15g/cm3 |
型號 | XT-UHZ變送器型 |
測量范圍 | 0-6000mm |
測量精度 | ±10mm |
介質粘度 | ≤0.4Pa.s(對粘度大或低溫易結晶介質要選用夾套型) |
介質密度 | ≥0.5g/cm3 |
工作壓力 | 1.0 1.6 2.5MPa |
工作溫度 | 80℃ 120℃ 200℃ |
法蘭標準 | HG20592-20635-97其他法蘭標準請用戶在訂貨時注明 |
輸出信號 | 4-20ma兩線制 |
電源電壓 | DC24V |
防爆等級 | Exid II CT6 |
防護等級 | IP65 |
磁翻柱液位計選型:
型號 | 代碼 | 說明 | ||||||
XT-UHZ- | □ | □ | □ | □ | □ | □ | □ | |
安裝方式 | C | 側裝時 | ||||||
主體材質 | 1 3 | PP(僅適用于公稱壓力為0.6MPa時) 其它 | ||||||
公稱壓力 | 1 | 0.6MPa | ||||||
型式 | 1 | 基本型 | ||||||
安裝間距 | L | 測量范轉 | ||||||
安裝深度 | L1 | 頂裝式、0~3000mm任選 | ||||||
介質密度 | ρ | g/cm3 | ||||||






